제품소개

엔드밀

HOME > 제품소개 > 엔드밀

WB542 series 금형 가공용 ㆍ 위너



2날 테이퍼 넥 볼

  • 목부 강성 증가를 위해 테이퍼넥 적용하여 최적의 가공 가능
  • 최고급 소재 적용으로 가공성 및 내마모성 성능 개선
  • 최신의 W코팅 적용하여 공구수명 및 가공 안정성 향상
  • HRc55 이하 프리하든강, 합금강, 탄소강 계열의 금형 및 부품 가공에 적합함


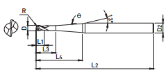
EDP. No. D R θ L1 L2 L3 L4 D2
WB542 001 05 0050.10.0530`0.1-0.5404
WB542 001 05 010.10.0530`0.1-1.0404
WB542 001 10 0050.10.050.1-0.5404
WB542 001 10 010.10.050.1-1.0404
WB542 001 15 0050.10.051˚30`0.1-0.5404
WB542 001 15 010.10.051˚30`0.1-1.0404
WB542 001 20 0050.10.050.1-0.5404
WB542 001 20 010.10.050.1-1.0404
WB542 001 30 0050.10.050.1-0.5404
WB542 001 30 010.10.050.1-1.0404
WB542 002 05 010.20.130`0.20.41.0404
WB542 002 05 020.20.130`0.20.42.0404
WB542 002 05 030.20.130`0.20.43.0404
WB542 002 10 010.20.10.20.41.0404
WB542 002 10 020.20.10.20.42.0404
WB542 002 10 030.20.10.20.43.0404
WB542 002 15 010.20.11˚30`0.20.41.0404
WB542 002 15 020.20.11˚30`0.20.42.0404
WB542 002 15 030.20.11˚30`0.20.43.0404
WB542 002 20 010.20.10.20.41.0404
WB542 002 20 020.20.10.20.42.0404
WB542 002 20 030.20.10.20.43.0404
WB542 002 30 010.20.10.20.41.0404
WB542 002 30 020.20.10.20.42.0404
WB542 002 30 030.20.10.20.43.0404
WB542 002 50 020.20.10.20.42.0404
WB542 002 50 030.20.10.20.43.0404
WB542 003 05 020.30.1530`0.30.62.0404
WB542 003 05 030.30.1530`0.30.63.0404
WB542 003 05 040.30.1530`0.30.64.0404
WB542 003 05 050.30.1530`0.30.65.0404
WB542 003 10 020.30.150.30.62.0404
WB542 003 10 030.30.150.30.63.0404
WB542 003 10 040.30.150.30.64.0404
WB542 003 10 050.30.150.30.65.0404
WB542 003 15 020.30.151˚30’0.30.62.0404
WB542 003 15 030.30.151˚30’0.30.63.0404
WB542 003 15 040.30.151˚30’0.30.64.0404
WB542 003 15 050.30.151˚30’0.30.65.0404
WB542 003 20 020.30.150.30.62.0404
WB542 003 20 030.30.150.30.63.0404
WB542 003 20 040.30.150.30.64.0404
WB542 003 20 050.30.150.30.65.0404
WB542 003 30 020.30.150.30.62.0404
WB542 003 30 030.30.150.30.63.0404
WB542 003 30 040.30.150.30.64.0404
WB542 003 30 050.30.150.30.65.0404
WB542 003 50 050.30.150.30.65.0404
WB542 004 05 020.40.230`0.40.82.0504
WB542 004 05 030.40.230`0.40.83.0504
WB542 004 05 040.40.230`0.40.84.0504
WB542 004 05 050.40.230`0.40.85.0504
WB542 004 05 060.40.230`0.40.86.0504
WB542 004 10 020.40.20.40.82.0504
WB542 004 10 030.40.20.40.83.0504
WB542 004 10 040.40.20.40.84.0504
WB542 004 10 050.40.20.40.85.0504
WB542 004 10 060.40.20.40.86.0504
WB542 004 15 020.40.21˚30`0.40.82.0504
WB542 004 15 030.40.21˚30`0.40.83.0504
WB542 004 15 040.40.21˚30`0.40.84.0504
WB542 004 15 050.40.21˚30`0.40.85.0504
WB542 004 15 060.40.21˚30`0.40.86.0504
WB542 004 20 020.40.20.40.82.0504
WB542 004 20 030.40.20.40.83.0504
WB542 004 20 040.40.20.40.84.0504
WB542 004 20 050.40.20.40.85.0504
WB542 004 20 060.40.20.40.86.0504
WB542 004 30 020.40.20.40.82.0504
WB542 004 30 030.40.20.40.83.0504
WB542 004 30 040.40.20.40.84.0504
WB542 004 30 050.40.20.40.85.0504
WB542 004 30 060.40.20.40.86.0504
WB542 004 50 040.40.20.40.84.0504
WB542 004 50 060.40.20.40.86.0504
WB542 005 05 040.50.2530`0.51.04.0504
WB542 005 05 060.50.2530`0.51.06.0504
WB542 005 05 080.50.2530`0.51.08.0504
WB542 005 05 100.50.2530`0.51.010.0504
WB542 005 10 040.50.250.51.04.0504
WB542 005 10 060.50.250.51.06.0504
WB542 005 10 080.50.250.51.08.0504
WB542 005 10 100.50.250.51.010.0504
WB542 005 15 040.50.251˚30`0.51.04.0504
WB542 005 15 060.50.251˚30`0.51.06.0504
WB542 005 15 080.50.251˚30`0.51.08.0504
WB542 005 15 100.50.251˚30`0.51.010.0504
WB542 005 20 040.50.250.51.04.0504
WB542 005 20 060.50.250.51.06.0504
WB542 005 20 080.50.250.51.08.0504
WB542 005 20 100.50.250.51.010.0504
WB542 005 30 040.50.250.51.04.0504
WB542 005 30 060.50.250.51.06.0504
WB542 005 30 080.50.250.51.08.0504
WB542 005 30 100.50.250.51.010.0504
WB542 006 05 040.60.330`0.61.24.0504.0
WB542 006 05 060.60.330`0.61.26.0504.0
WB542 006 05 080.60.330`0.61.28.0504.0
WB542 006 05 100.60.330`0.61.210.0504.0
WB542 006 05 120.60.330`0.61.212.0504.0
WB542 006 10 040.60.30.61.24.0504.0
WB542 006 10 060.60.30.61.26.0504.0
WB542 006 10 080.60.30.61.28.0504.0
WB542 006 10 100.60.30.61.210.0504.0
WB542 006 10 120.60.30.61.212.0504.0
WB542 006 15 040.60.31˚30`0.61.24.0504.0
WB542 006 15 060.60.31˚30`0.61.26.0504.0
WB542 006 15 080.60.31˚30`0.61.28.0504.0
WB542 006 15 100.60.31˚30`0.61.210.0504.0
WB542 006 15 120.60.31˚30`0.61.212.0504.0
WB542 006 20 040.60.30.61.24.0504.0
WB542 006 20 060.60.30.61.26.0504.0
WB542 006 20 080.60.30.61.28.0504.0
WB542 006 20 100.60.30.61.210.0504.0
WB542 006 20 120.60.30.61.212.0504.0
WB542 006 30 040.60.30.61.24.0504.0
WB542 006 30 060.60.30.61.26.0504.0
WB542 006 30 080.60.30.61.28.0504.0
WB542 006 30 100.60.30.61.210.0504.0
WB542 006 30 120.60.30.61.212.0504.0
WB542 008 05 040.80.430`0.81.64.0504
WB542 008 05 060.80.430`0.81.66.0504
WB542 008 05 080.80.430`0.81.68.0504
WB542 008 05 100.80.430`0.81.610.0504
WB542 008 05 120.80.430`0.81.612.0504
WB542 008 05 160.80.430`0.81.616.0504
WB542 008 10 040.80.40.81.64.0504
WB542 008 10 060.80.40.81.66.0504
WB542 008 10 080.80.40.81.68.0504
WB542 008 10 100.80.40.81.610.0504
WB542 008 10 120.80.40.81.612.0504
WB542 008 10 160.80.40.81.616.0504
WB542 008 15 040.80.41˚30`0.81.64.0504
WB542 008 15 060.80.41˚30`0.81.66.0504
WB542 008 15 080.80.41˚30`0.81.68.0504
WB542 008 15 100.80.41˚30`0.81.610.0504
WB542 008 15 120.80.41˚30`0.81.612.0504
WB542 008 15 160.80.41˚30`0.81.616.0504
WB542 008 20 040.80.40.81.64.0504
WB542 008 20 060.80.40.81.66.0504
WB542 008 20 080.80.40.81.68.0504
WB542 008 20 100.80.40.81.610.0504
WB542 008 20 120.80.40.81.612.0504
WB542 008 20 160.80.40.81.616.0504
WB542 008 30 040.80.40.81.64.0504
WB542 008 30 060.80.40.81.66.0504
WB542 008 30 080.80.40.81.68.0504
WB542 008 30 100.80.40.81.610.0504
WB542 008 30 120.80.40.81.612.0504
WB542 008 30 160.80.40.81.616.0504
WB542 010 05 061.00.530`1.02.56.0504
WB542 010 05 081.00.530`1.02.58.0504
WB542 010 05 101.00.530`1.02.510.0504
WB542 010 05 121.00.530`1.02.512.0504
WB542 010 05 161.00.530`1.02.516.0504
WB542 010 05 201.00.530`1.02.520.0504
WB542 010 05 251.00.530`1.02.525.0604
WB542 010 05 301.00.530`1.02.530.0704
WB542 010 05 401.00.530`1.02.540.0804
WB542 010 05 501.00.530`1.02.550.0904
WB542 010 10 061.00.51.02.56.0504
WB542 010 10 081.00.51.02.58.0504
WB542 010 10 101.00.51.02.510.0504
WB542 010 10 121.00.51.02.512.0504
WB542 010 10 161.00.51.02.516.0504
WB542 010 10 201.00.51.02.520.0504
WB542 010 10 251.00.51.02.525.0604
WB542 010 10 301.00.51.02.530.0704
WB542 010 10 401.00.51.02.540.0804
WB542 010 10 501.00.51.02.550.0904
WB542 010 15 061.00.51˚30`1.02.56.0504
WB542 010 15 081.00.51˚30`1.02.58.0504
WB542 010 15 101.00.51˚30`1.02.510.0504
WB542 010 15 121.00.51˚30`1.02.512.0504
WB542 010 15 161.00.51˚30`1.02.516.0504
WB542 010 15 201.00.51˚30`1.02.520.0504
WB542 010 15 251.00.51˚30`1.02.525.0604
WB542 010 15 301.00.51˚30`1.02.530.0704
WB542 010 15 401.00.51˚30`1.02.540.0804
WB542 010 15 501.00.51˚30`1.02.550.0904
WB542 010 20 061.00.51.02.56.0504
WB542 010 20 081.00.51.02.58.0504
WB542 010 20 101.00.51.02.510.0504
WB542 010 20 121.00.51.02.512.0504
WB542 010 20 161.00.51.02.516.0504
WB542 010 20 201.00.51.02.520.0504
WB542 010 20 251.00.51.02.525.0604
WB542 010 20 301.00.51.02.530.0704
WB542 010 20 401.00.51.02.540.0804
WB542 010 20 501.00.51.02.550.0906
WB542 010 30 061.00.51.02.56.0504
WB542 010 30 081.00.51.02.58.0504
WB542 010 30 101.00.51.02.510.0504
WB542 010 30 121.00.51.02.512.0504
WB542 010 30 161.00.51.02.516.0504
WB542 010 30 201.00.51.02.520.0504
WB542 010 30 251.00.51.02.525.0604
WB542 010 30 301.00.51.02.530.0706
WB542 010 30 401.00.51.02.540.0806
WB542 010 30 501.00.51.02.550.0906
WB542 010 50 301.00.51.02.530.0706
WB542 012 05 081.20.630`1.23.08.0504
WB542 012 05 121.20.630`1.23.012.0504
WB542 012 05 161.20.630`1.23.016.0504
WB542 012 05 201.20.630`1.23.020.0504
WB542 012 05 251.20.630`1.23.025.0604
WB542 012 05 301.20.630`1.23.030.0704
WB542 012 10 081.20.61.23.08.0504
WB542 012 10 121.20.61.23.012.0504
WB542 012 10 161.20.61.23.016.0504
WB542 012 10 201.20.63.01.23.020.0504
WB542 012 10 251.20.63.01.23.025.0604
WB542 012 10 301.20.63.01.23.030.0704
WB542 012 15 081.20.61˚30`1.23.08.0504
WB542 012 15 121.20.61˚30`1.23.012.0504
WB542 012 15 161.20.61˚30`1.23.016.0504
WB542 012 15 201.20.61˚30`1.23.020.0504
WB542 012 15 251.20.61˚30`1.23.025.0604
WB542 012 15 301.20.61˚30`1.23.030.0704
WB542 012 20 081.20.61.23.08.0504
WB542 012 20 121.20.61.23.012.0504
WB542 012 20 161.20.61.23.016.0504
WB542 012 20 201.20.61.23.020.0504
WB542 012 20 251.20.61.23.025.0604
WB542 012 20 301.20.61.23.030.704
WB542 012 30 081.20.61.23.08.0504
WB542 012 30 121.20.61.23.012.0504
WB542 012 30 161.20.61.23.016.0504
WB542 012 30 201.20.61.23.020.0504
WB542 012 30 251.20.61.23.025.0604
WB542 012 30 301.20.61.23.030.0706
WB542 015 05 081.50.7530`1.54.08.0504
WB542 015 05 101.50.7530`1.54.010.0504
WB542 015 05 121.50.7530`1.54.012.0504
WB542 015 05 161.50.7530`1.54.016.0504
WB542 015 05 201.50.7530`1.54.020.0504
WB542 015 05 251.50.7530`1.54.025.0604
WB542 015 05 301.50.7530`1.54.030.0704
WB542 015 05 401.50.7530`1.54.040.0804
WB542 015 05 501.50.7530`1.54.050.904
WB542 015 10 081.50.751.54.08.0504
WB542 015 10 101.50.751.54.010.0504
WB542 015 10 121.50.751.54.012.0504
WB542 015 10 161.50.751.54.016.0504
WB542 015 10 201.50.751.54.020.0504
WB542 015 10 251.50.751.54.025.0604
WB542 015 10 301.50.751.54.030.0704
WB542 015 10 401.50.751.54.040.0804
WB542 015 10 501.50.751.54.050.0904
WB542 015 15 081.50.751˚30`1.54.08.0504
WB542 015 15 101.50.751˚30`1.54.010.0504
WB542 015 15 121.50.751˚30`1.54.012.0504
WB542 015 15 161.50.751˚30`1.54.016.0504
WB542 015 15 201.50.751˚30`1.54.020.0504
WB542 015 15 251.50.751˚30`1.54.025.0604
WB542 015 15 301.50.751˚30`1.54.030.0704
WB542 015 15 401.50.751˚30`1.54.040.0804
WB542 015 15 501.50.751˚30`1.54.050.0904
WB542 015 20 081.50.751.54.08.0504
WB542 015 20 101.50.751.54.010.0504
WB542 015 20 121.50.751.54.012.0504
WB542 015 20 161.50.751.54.016.0504
WB542 015 20 201.50.751.54.020.0504
WB542 015 20 251.50.751.54.025.0604
WB542 015 20 301.50.751.54.030.704
WB542 015 20 401.50.751.54.040.0806
WB542 015 20 501.50.751.54.050.0906
WB542 015 30 201.50.751.54.020.0506
WB542 015 30 301.50.751.54.030.0706
WB542 015 30 401.50.751.54.040.0806
WB542 015 30 501.50.751.54.050.0908
WB542 015 50 301.50.751.54.030.0708
WB542 020 05 102.0130`2.05.010.0504
WB542 020 05 122.0130`2.05.012.0504
WB542 020 05 162.0130`2.05.016.0504
WB542 020 05 202.0130`2.05.020.0504
WB542 020 05 252.0130`2.05.025.0604
WB542 020 05 302.0130`2.05.030.0704
WB542 020 05 402.0130`2.05.040.0804
WB542 020 05 502.0130`2.05.050.01006
WB542 020 05 602.0130`2.05.060.01006
WB542 020 05 802.0130`2.05.080.01406
WB542 020 10 102.012.05.010.0504
WB542 020 10 122.012.05.012.0504
WB542 020 10 162.012.05.016.0504
WB542 020 10 202.012.05.020.0504
WB542 020 10 252.012.05.025.0604
WB542 020 10 302.012.05.030.0704
WB542 020 10 402.012.05.040.0806
WB542 020 10 502.012.05.050.01006
WB542 020 10 602.012.05.060.01006
WB542 020 10 802.012.05.080.01406
WB542 020 15 102.011˚30`2.05.010.0504
WB542 020 15 122.011˚30`2.05.012.0504
WB542 020 15 162.011˚30`2.05.016.0504
WB542 020 15 202.011˚30`2.05.020.0504
WB542 020 15 252.011˚30`2.05.025.0604
WB542 020 15 302.011˚30`2.05.030.0706
WB542 020 15 402.011˚30`2.05.040.0806
WB542 020 15 502.011˚30`2.05.050.01006
WB542 020 15 602.011˚30`2.05.060.01006
WB542 020 15 802.011˚30`2.05.080.01406
WB542 020 20 102.012.05.010.0504
WB542 020 20 122.012.05.012.0504
WB542 020 20 162.012.05.016.0504
WB542 020 20 202.012.05.020.0554
WB542 020 20 252.012.05.025.0604
WB542 020 20 302.012.05.030.0704
WB542 020 20 402.012.05.040.0806
WB542 020 20 502.012.05.050.0906
WB542 020 20 602.012.05.060.01006
WB542 020 20 802.012.05.080.01408
WB542 020 30 302.012.05.030.0706
WB542 020 30 402.012.05.040.0806
WB542 020 30 502.012.05.050.0908
WB542 020 30 602.012.05.060.01008
WB542 020 30 802.012.05.080.014010
WB542 020 50 302.012.05.030.0708
WB542 020 50 402.012.05.040.09010
WB542 030 05 163.01.530`4.56.016.0606
WB542 030 05 203.01.530`4.56.020.0656
WB542 030 05 303.01.530`4.56.030.0706
WB542 030 05 403.01.530`4.56.040.0806
WB542 030 05 503.01.530`4.56.050.0906
WB542 030 05 603.01.530`4.56.060.01006
WB542 030 10 163.01.54.56.016.0606
WB542 030 10 203.01.54.56.020.0656
WB542 030 10 303.01.54.56.030.0706
WB542 030 10 403.01.54.56.040.0806
WB542 030 10 503.01.54.56.050.0906
WB542 030 10 603.01.54.56.060.01006
WB542 030 10 703.01.54.56.070.01206
WB542 030 15 163.01.51˚30`4.56.016.0606
WB542 030 15 203.01.51˚30`4.56.020.0656
WB542 030 15 303.01.51˚30`4.56.030.0706
WB542 030 15 403.01.51˚30`4.56.040.0806
WB542 030 15 503.01.51˚30`4.56.050.0906
WB542 030 15 603.01.51˚30`4.56.060.01006
WB542 030 20 163.01.54.56.016.0606
WB542 030 20 203.01.54.56.020.0656
WB542 030 20 303.01.54.56.030.0706
WB542 030 20 403.01.54.56.040.0806
WB542 030 20 503.01.54.56.050.0908
WB542 030 30 303.01.54.56.030.0706
WB542 030 30 403.01.54.56.040.0908
WB542 030 50 303.01.54.56.030.0708
WB542 030 50 403.01.54.56.040.09010
WB542 040 05 404.0230`6.08.040.0906
WB542 040 05 504.0230`6.08.050.01006
WB542 040 05 604.0230`6.08.060.01106
WB542 040 05 704.0230`6.08.070.01206
WB542 040 10 404.026.08.040.0906
WB542 040 10 504.026.08.050.01006
WB542 040 10 604.026.08.060.01108
WB542 040 10 704.026.08.070.01208
WB542 040 15 404.021˚30`6.08.040.0906
WB542 040 15 504.021˚30`6.08.050.01008
WB542 040 15 604.021˚30`6.08.060.01108
WB542 040 15 704.021˚30`6.08.070.01208
WB542 040 30 504.026.08.050.010010
WB542 040 50 504.026.08.050.010012
WB542 050 10 605.02.510.013.060.01208
WB542 050 15 605.02.51˚30`10.013.060.01208
WB542 050 30 405.02.510.013.040.01208
WB542 060 10 606.0312.015.060.01208
WB542 060 10 906.0312.015.090.015010
WB542 060 15 606.031˚30`12.015.060.012010
WB542 060 15 906.031˚30`12.015.090.015010
WB542 060 20 606.0312.015.060.012010
WB542 060 20 906.0312.015.090.015012
WB542 060 30 606.0312.015.060.012012
WB542 060 30 906.0312.015.090.015014
WB542 080 10 708.0414.018.070.013010
WB542 080 10 1008.0414.018.0100.015012
WB542 080 15 708.041˚30`14.018.070.013012
WB542 080 15 1008.041˚30`14.018.0100.015014
WB542 080 20 708.0414.018.070.013012
WB542 080 20 1008.0414.018.0100.015014
WB542 080 30 708.0414.018.070.013014
WB542 080 30 1008.0414.018.0100.015018
WB542 100 10 7010.0518.022.070.013012
WB542 100 10 8010.0518.022.080.015014
WB542 100 10 10010.0518.022.0100.020014
WB542 100 15 7010.051˚30`18.022.070.013014
WB542 100 15 8010.051˚30`18.022.080.015014
WB542 100 15 10010.051˚30`18.022.0100.020016
WB542 100 20 7010.0518.022.070.013014
WB542 100 20 8010.0518.022.080.015016
WB542 100 20 10010.0518.022.0100.020016
WB542 100 30 7010.0518.022.070.013016
WB542 100 30 8010.0518.022.080.015018
WB542 100 30 10010.0518.022.0100.020020
WB542 120 10 6012.0622.025.060.013014
WB542 120 10 8012.0622.025.080.015014
WB542 120 10 9012.0622.025.090.018016
WB542 120 10 10012.0622.025.0100.020016
WB542 120 15 6012.061˚30`22.025.060.013014
WB542 120 15 8012.061˚30`22.025.080.015016
WB542 120 15 9012.061˚30`22.025.090.018016
WB542 120 15 10012.061˚30`22.025.0100.020016
WB542 120 20 6012.0622.025.060.013016
WB542 120 20 8012.0622.025.080.015016
WB542 120 20 9012.0622.025.090.018018
WB542 120 20 10012.0622.025.0100.020018
WB542 120 30 6012.0622.025.060.013016
WB542 120 30 8012.0622.025.080.015018
WB542 120 30 9012.0622.025.090.018020
WB542 120 30 10012.0622.025.0100.020020

적용 피삭재

탄소강
(S45C, S55C...)
~ HB225
합금강
(SCM, SK...)
HB225~325
프리하든강
(NAK...)
HRc30~50
열처리강 흑연 주철
FCD400. 500~
알루미늄 스테인리스강
~HRc55 SKD61 ~HRc55 SKD11
       

허용공차

인선부 (mm) 자루부
외경 공차
6 이하 0 ~ -0.012 h6
6 이상 0 ~ -0.015