제품소개

엔드밀

HOME > 제품소개 > 엔드밀

DB54(5)2 series 중경도용 ㆍ 클래식



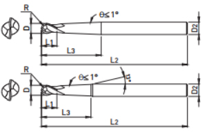
2날, 테이퍼 넥 볼 엔드밀
  • 2 FLUTE, BALL NOSE with TAPER NECK

  • 공구강, 합금강, 금형강 및 고경도 피삭재에 적합
  • 모방가공에 적합
  • 목부위 구배각 및 롱타입 제원으로 깊은 부위 가공에 적합하도록 제작


EDP. No. D R L1 L2 L3 D3
DB54202021.03631106
DB55202021.05851556
DB54203031.55651106
DB55203031.57871556
DB54204042.07671106
DB55204042.010901558
DB54205052.510701106
DB55205052.515951558
DB54206063.0187815510
DB55206063.02011020010
DB54208084.03010015512
DB55208084.03012020012
DB542100105.04010015512
DB552100105.04012020012
DB542120126.05011015516
DB552120126.05013020016

적용 피삭재

탄소강
(S45C, S55C...)
~ HB225
합금강
(SCM, SK...)
HB225~325
프리하든강
(NAK...)
HRc30~50
열처리강 흑연 주철
FCD400. 500~
알루미늄 스테인리스강
~HRc55 SKD61 ~HRc55 SKD11
       

허용공차

인선부 (mm) 자루부
0 ~ -0.02 h6