제품소개

엔드밀

HOME > 제품소개 > 엔드밀

WTE504 series 금형 가공용 ㆍ 위너



4날 테이퍼

  • 테이퍼 각도의 다양화로 규격선택의 폭 확대
  • 최고급 소재 적용으로 가공성 및 내마모성 성능 개선
  • 최신의 W코팅 적용하여 공구수명 및 가공 안정성 향상
  • HRc55 이하 프리하든강, 합금강, 탄소강 계열의 금형 및 부품 가공에 적합함


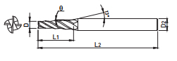
EDP. No. D θ L1 L2 D2
WTE504 030 0053.030`12.0506
WTE504 030 013.012.0506
WTE504 030 0153.01˚30`12.0506
WTE504 030 023.014.0506
WTE504 030 033.014.0506
WTE504 030 053.016.0506
WTE504 030 073.016.0508
WTE504 030 103.010˚16.05010
WTE504 040 0054.030`16.0606
WTE504 040 014.016.0606
WTE504 040 0154.01˚30`16.0606
WTE504 040 024.016.0606
WTE504 040 034.019.0606
WTE504 040 054.022.0658
WTE504 040 074.016.0658
WTE504 040 104.010˚17.06510
WTE504 060 0056.030`20.0658
WTE504 060 016.020.0658
WTE504 060 0156.01˚30`20.0658
WTE504 060 026.020.0658
WTE504 060 036.019.0658
WTE504 060 056.022.07510
WTE504 060 076.024.07512
WTE504 060 106.010˚17.07512
WTE504 070 0057.030`28.0708
WTE504 070 017.028.0708
WTE504 070 0157.01˚30`28.07010
WTE504 070 027.028.08010
WTE504 070 037.028.08010
WTE504 070 057.028.08012
WTE504 080 0058.030`35.09010
WTE504 080 018.035.09010
WTE504 080 0158.01˚30`35.09010
WTE504 080 028.028.09010
WTE504 080 038.038.09012
WTE504 080 058.045.010016
WTE504 080 078.032.09016
WTE504 080 108.010˚34.010020
WTE504 100 00510.030`40.09012
WTE504 100 0110.040.09012
WTE504 100 01510.01˚30`38.09012
WTE504 100 0210.040.09016
WTE504 100 0310.040.010016
WTE504 100 0510.034.010016
WTE504 100 0710.040.09020
WTE504 100 1010.010˚42.010025

적용 피삭재

탄소강
(S45C, S55C...)
~ HB225
합금강
(SCM, SK...)
HB225~325
프리하든강
(NAK...)
HRc30~50
열처리강 흑연 주철
FCD400. 500~
알루미늄 스테인리스강
~HRc55 SKD61 ~HRc55 SKD11
       

허용공차

인선부 (mm) 자루부
0 ~ -0.03 h6