HOME > 제품소개 > 엔드밀


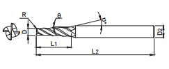
| EDP. No. | D | R | θ | L1 | L2 | D2 |
|---|---|---|---|---|---|---|
| WTR504 008 01 01 04 | 0.8 | 0.1 | 1˚ | 4.0 | 45 | 4 |
| WTR504 008 01 01 06 | 0.8 | 0.1 | 1˚ | 6.0 | 45 | 4 |
| WTR504 008 01 01 08 | 0.8 | 0.1 | 1˚ | 8.0 | 45 | 4 |
| WTR504 008 01 015 04 | 0.8 | 0.1 | 1˚30` | 4.0 | 45 | 4 |
| WTR504 008 01 015 06 | 0.8 | 0.1 | 1˚30` | 6.0 | 45 | 4 |
| WTR504 008 01 015 08 | 0.8 | 0.1 | 1˚30` | 8.0 | 45 | 4 |
| WTR504 008 02 01 04 | 0.8 | 0.2 | 1˚ | 4.0 | 45 | 4 |
| WTR504 008 02 01 06 | 0.8 | 0.2 | 1˚ | 6.0 | 45 | 4 |
| WTR504 008 02 01 08 | 0.8 | 0.2 | 1˚ | 8.0 | 45 | 4 |
| WTR504 008 02 015 04 | 0.8 | 0.2 | 1˚30` | 4.0 | 45 | 4 |
| WTR504 008 02 015 06 | 0.8 | 0.2 | 1˚30` | 6.0 | 45 | 4 |
| WTR504 008 02 015 08 | 0.8 | 0.2 | 1˚30` | 8.0 | 45 | 4 |
| WTR504 010 01 01 04 | 1.0 | 0.1 | 1˚ | 4.0 | 50 | 4 |
| WTR504 010 01 01 06 | 1.0 | 0.1 | 1˚ | 6.0 | 50 | 4 |
| WTR504 010 01 01 08 | 1.0 | 0.1 | 1˚ | 8.0 | 50 | 4 |
| WTR504 010 01 01 10 | 1.0 | 0.1 | 1˚ | 10.0 | 50 | 4 |
| WTR504 010 01 01 12 | 1.0 | 0.1 | 1˚ | 12.0 | 50 | 4 |
| WTR504 010 01 015 04 | 1.0 | 0.1 | 1˚30` | 4.0 | 50 | 4 |
| WTR504 010 01 015 06 | 1.0 | 0.1 | 1˚30` | 6.0 | 50 | 4 |
| WTR504 010 01 015 08 | 1.0 | 0.1 | 1˚30` | 8.0 | 50 | 4 |
| WTR504 010 01 015 10 | 1.0 | 0.1 | 1˚30` | 10.0 | 50 | 4 |
| WTR504 010 01 015 12 | 1.0 | 0.1 | 1˚30` | 12.0 | 50 | 4 |
| WTR504 010 01 02 04 | 1.0 | 0.1 | 2˚ | 4.0 | 50 | 4 |
| WTR504 010 01 02 06 | 1.0 | 0.1 | 2˚ | 6.0 | 50 | 4 |
| WTR504 010 01 02 08 | 1.0 | 0.1 | 2˚ | 8.0 | 50 | 4 |
| WTR504 010 01 02 10 | 1.0 | 0.1 | 2˚ | 10.0 | 50 | 4 |
| WTR504 010 01 02 12 | 1.0 | 0.1 | 2˚ | 12.0 | 50 | 4 |
| WTR504 010 01 03 04 | 1.0 | 0.1 | 3˚ | 4.0 | 50 | 4 |
| WTR504 010 01 03 06 | 1.0 | 0.1 | 3˚ | 6.0 | 50 | 4 |
| WTR504 010 01 03 08 | 1.0 | 0.1 | 3˚ | 8.0 | 50 | 4 |
| WTR504 010 01 03 10 | 1.0 | 0.1 | 3˚ | 10.0 | 50 | 4 |
| WTR504 010 01 03 12 | 1.0 | 0.1 | 3˚ | 12.0 | 50 | 4 |
| WTR504 010 02 01 04 | 1.0 | 0.2 | 1˚ | 4.0 | 50 | 4 |
| WTR504 010 02 01 06 | 1.0 | 0.2 | 1˚ | 6.0 | 50 | 4 |
| WTR504 010 02 01 08 | 1.0 | 0.2 | 1˚ | 8.0 | 50 | 4 |
| WTR504 010 02 01 10 | 1.0 | 0.2 | 1˚ | 10.0 | 50 | 4 |
| WTR504 010 02 01 12 | 1.0 | 0.2 | 1˚ | 12.0 | 50 | 4 |
| WTR504 010 02 015 04 | 1.0 | 0.2 | 1˚30` | 4.0 | 50 | 4 |
| WTR504 010 02 015 06 | 1.0 | 0.2 | 1˚30 | 6.0 | 50 | 4 |
| WTR504 010 02 015 08 | 1.0 | 0.2 | 1˚30 | 8.0 | 50 | 4 |
| WTR504 010 02 015 10 | 1.0 | 0.2 | 1˚30` | 10.0 | 50 | 4 |
| WTR504 010 02 015 12 | 1.0 | 0.2 | 1˚30` | 12.0 | 50 | 4 |
| WTR504 010 02 02 04 | 1.0 | 0.2 | 2˚ | 4.0 | 50 | 4 |
| WTR504 010 02 02 06 | 1.0 | 0.2 | 2˚ | 6.0 | 50 | 4 |
| WTR504 010 02 02 08 | 1.0 | 0.2 | 2˚ | 8.0 | 50 | 4 |
| WTR504 010 02 02 10 | 1.0 | 0.2 | 2˚ | 10.0 | 50 | 4 |
| WTR504 010 02 02 12 | 1.0 | 0.2 | 2˚ | 12.0 | 50 | 4 |
| WTR504 010 02 03 04 | 1.0 | 0.2 | 3˚ | 4.0 | 50 | 4 |
| WTR504 010 02 03 06 | 1.0 | 0.2 | 3˚ | 6.0 | 50 | 4 |
| WTR504 010 02 03 08 | 1.0 | 0.2 | 3˚ | 8.0 | 50 | 4 |
| WTR504 010 02 03 10 | 1.0 | 0.2 | 3˚ | 10.0 | 50 | 4 |
| WTR504 010 02 03 12 | 1.0 | 0.2 | 3˚ | 12.0 | 50 | 4 |
| WTR504 010 03 01 04 | 1.0 | 0.3 | 1˚ | 4.0 | 50 | 4 |
| WTR504 010 03 01 06 | 1.0 | 0.3 | 1˚ | 6.0 | 50 | 4 |
| WTR504 010 03 01 08 | 1.0 | 0.3 | 1˚ | 8.0 | 50 | 4 |
| WTR504 010 03 01 10 | 1.0 | 0.3 | 1˚ | 10.0 | 50 | 4 |
| WTR504 010 03 01 12 | 1.0 | 0.3 | 1˚ | 12.0 | 50 | 4 |
| WTR504 010 03 015 04 | 1.0 | 0.3 | 1˚30` | 4.0 | 50 | 4 |
| WTR504 010 03 015 06 | 1.0 | 0.3 | 1˚30` | 6.0 | 50 | 4 |
| WTR504 010 03 015 08 | 1.0 | 0.3 | 1˚30` | 8.0 | 50 | 4 |
| WTR504 010 03 015 10 | 1.0 | 0.3 | 1˚30` | 10.0 | 50 | 4 |
| WTR504 010 03 015 12 | 1.0 | 0.3 | 1˚30` | 12.0 | 50 | 4 |
| WTR504 010 03 02 04 | 1.0 | 0.3 | 2˚ | 4.0 | 50 | 4 |
| WTR504 010 03 02 06 | 1.0 | 0.3 | 2˚ | 6.0 | 50 | 4 |
| WTR504 010 03 02 08 | 1.0 | 0.3 | 2˚ | 8.0 | 50 | 4 |
| WTR504 010 03 02 10 | 1.0 | 0.3 | 2˚ | 10.0 | 50 | 4 |
| WTR504 010 03 02 12 | 1.0 | 0.3 | 2˚ | 12.0 | 50 | 4 |
| WTR504 010 03 03 04 | 1.0 | 0.3 | 3˚ | 4.0 | 50 | 4 |
| WTR504 010 03 03 06 | 1.0 | 0.3 | 3˚ | 6.0 | 50 | 4 |
| WTR504 010 03 03 08 | 1.0 | 0.3 | 3˚ | 8.0 | 50 | 4 |
| WTR504 010 03 03 10 | 1.0 | 0.3 | 3˚ | 10.0 | 50 | 4 |
| WTR504 010 03 03 12 | 1.0 | 0.3 | 3˚ | 12.0 | 50 | 4 |
| WTR504 012 01 01 06 | 1.2 | 0.1 | 1˚ | 6.0 | 50 | 4 |
| WTR504 012 01 01 08 | 1.2 | 0.1 | 1˚ | 8.0 | 50 | 4 |
| WTR504 012 01 01 10 | 1.2 | 0.1 | 1˚ | 10.0 | 50 | 4 |
| WTR504 012 01 01 12 | 1.2 | 0.1 | 1˚ | 12.0 | 50 | 4 |
| WTR504 012 01 02 06 | 1.2 | 0.1 | 2˚ | 6.0 | 50 | 4 |
| WTR504 012 01 02 08 | 1.2 | 0.1 | 2˚ | 8.0 | 50 | 4 |
| WTR504 012 01 02 10 | 1.2 | 0.1 | 2˚ | 10.0 | 50 | 4 |
| WTR504 012 01 02 12 | 1.2 | 0.1 | 2˚ | 12.0 | 50 | 4 |
| WTR504 012 01 03 06 | 1.2 | 0.1 | 3˚ | 6.0 | 50 | 4 |
| WTR504 012 01 03 08 | 1.2 | 0.1 | 3˚ | 8.0 | 50 | 4 |
| WTR504 012 01 03 10 | 1.2 | 0.1 | 3˚ | 10.0 | 50 | 4 |
| WTR504 012 01 03 12 | 1.2 | 0.1 | 3˚ | 12.0 | 50 | 4 |
| WTR504 012 02 01 06 | 1.2 | 0.2 | 1˚ | 6.0 | 50 | 4 |
| WTR504 012 02 01 08 | 1.2 | 0.2 | 1˚ | 8.0 | 50 | 4 |
| WTR504 012 02 01 10 | 1.2 | 0.2 | 1˚ | 10.0 | 50 | 4 |
| WTR504 012 02 01 12 | 1.2 | 0.2 | 1˚ | 12.0 | 50 | 4 |
| WTR504 012 02 02 06 | 1.2 | 0.2 | 2˚ | 6.0 | 50 | 4 |
| WTR504 012 02 02 08 | 1.2 | 0.2 | 2˚ | 8.0 | 50 | 4 |
| WTR504 012 02 02 10 | 1.2 | 0.2 | 2˚ | 10.0 | 50 | 4 |
| WTR504 012 02 02 12 | 1.2 | 0.2 | 2˚ | 12.0 | 50 | 4 |
| WTR504 012 02 03 06 | 1.2 | 0.2 | 3˚ | 6.0 | 50 | 4 |
| WTR504 012 02 03 08 | 1.2 | 0.2 | 3˚ | 8.0 | 50 | 4 |
| WTR504 012 02 03 10 | 1.2 | 0.2 | 3˚ | 10.0 | 50 | 4 |
| WTR504 012 02 03 12 | 1.2 | 0.2 | 3˚ | 12.0 | 50 | 4 |
| WTR504 012 03 01 06 | 1.2 | 0.3 | 1˚ | 6.0 | 50 | 4 |
| WTR504 012 03 01 08 | 1.2 | 0.3 | 1˚ | 8.0 | 50 | 4 |
| WTR504 012 03 01 10 | 1.2 | 0.3 | 1˚ | 10.0 | 50 | 4 |
| WTR504 012 03 01 12 | 1.2 | 0.3 | 1˚ | 12.0 | 50 | 4 |
| WTR504 012 03 02 06 | 1.2 | 0.3 | 2˚ | 6.0 | 50 | 4 |
| WTR504 012 03 02 08 | 1.2 | 0.3 | 2˚ | 8.0 | 50 | 4 |
| WTR504 012 03 02 10 | 1.2 | 0.3 | 2˚ | 10.0 | 50 | 4 |
| WTR504 012 03 02 12 | 1.2 | 0.3 | 2˚ | 12.0 | 50 | 4 |
| WTR504 012 03 03 06 | 1.2 | 0.3 | 3˚ | 6.0 | 50 | 4 |
| WTR504 012 03 03 08 | 1.2 | 0.3 | 3˚ | 8.0 | 50 | 4 |
| WTR504 012 03 03 10 | 1.2 | 0.3 | 3˚ | 10.0 | 50 | 4 |
| WTR504 012 03 03 12 | 1.2 | 0.3 | 3˚ | 12.0 | 50 | 4 |
| WTR504 015 01 01 06 | 1.5 | 0.1 | 1˚ | 6.0 | 50 | 4 |
| WTR504 015 01 01 08 | 1.5 | 0.1 | 1˚ | 8.0 | 50 | 4 |
| WTR504 015 01 01 10 | 1.5 | 0.1 | 1˚ | 10.0 | 50 | 4 |
| WTR504 015 01 01 12 | 1.5 | 0.1 | 1˚ | 12.0 | 50 | 4 |
| WTR504 015 01 01 16 | 1.5 | 0.1 | 1˚ | 16.0 | 50 | 4 |
| WTR504 015 01 01 20 | 1.5 | 0.1 | 1˚ | 20.0 | 60 | 4 |
| WTR504 015 01 02 06 | 1.5 | 0.1 | 2˚ | 6.0 | 50 | 4 |
| WTR504 015 01 02 08 | 1.5 | 0.1 | 2˚ | 8.0 | 50 | 4 |
| WTR504 015 01 02 10 | 1.5 | 0.1 | 2˚ | 10.0 | 50 | 4 |
| WTR504 015 01 02 12 | 1.5 | 0.1 | 2˚ | 12.0 | 50 | 4 |
| WTR504 015 01 02 16 | 1.5 | 0.1 | 2˚ | 16.0 | 50 | 4 |
| WTR504 015 01 02 20 | 1.5 | 0.1 | 2˚ | 20.0 | 60 | 4 |
| WTR504 015 01 03 06 | 1.5 | 0.1 | 3˚ | 6.0 | 50 | 4 |
| WTR504 015 01 03 08 | 1.5 | 0.1 | 3˚ | 8.0 | 50 | 4 |
| WTR504 015 01 03 10 | 1.5 | 0.1 | 3˚ | 10.0 | 50 | 4 |
| WTR504 015 01 03 12 | 1.5 | 0.1 | 3˚ | 12.0 | 50 | 4 |
| WTR504 015 01 03 16 | 1.5 | 0.1 | 3˚ | 16.0 | 50 | 4 |
| WTR504 015 01 03 20 | 1.5 | 0.1 | 3˚ | 20.0 | 60 | 4 |
| WTR504 015 02 01 06 | 1.5 | 0.2 | 1˚ | 6.0 | 50 | 4 |
| WTR504 015 02 01 08 | 1.5 | 0.2 | 1˚ | 8.0 | 50 | 4 |
| WTR504 015 02 01 10 | 1.5 | 0.2 | 1˚ | 10.0 | 50 | 4 |
| WTR504 015 02 01 12 | 1.5 | 0.2 | 1˚ | 12.0 | 50 | 4 |
| WTR504 015 02 01 16 | 1.5 | 0.2 | 1˚ | 16.0 | 50 | 4 |
| WTR504 015 02 01 20 | 1.5 | 0.2 | 1˚ | 20.0 | 60 | 4 |
| WTR504 015 02 02 06 | 1.5 | 0.2 | 2˚ | 6.0 | 50 | 4 |
| WTR504 015 02 02 08 | 1.5 | 0.2 | 2˚ | 8.0 | 50 | 4 |
| WTR504 015 02 02 10 | 1.5 | 0.2 | 2˚ | 10.0 | 50 | 4 |
| WTR504 015 02 02 12 | 1.5 | 0.2 | 2˚ | 12.0 | 50 | 4 |
| WTR504 015 02 02 16 | 1.5 | 0.2 | 2˚ | 16.0 | 50 | 4 |
| WTR504 015 02 02 20 | 1.5 | 0.2 | 2˚ | 20.0 | 60 | 4 |
| WTR504 015 02 03 06 | 1.5 | 0.2 | 3˚ | 6 | 50 | 4 |
| WTR504 015 02 03 08 | 1.5 | 0.2 | 3˚ | 8 | 50 | 4 |
| WTR504 015 02 03 10 | 1.5 | 0.2 | 3˚ | 10 | 50 | 4 |
| WTR504 015 02 03 12 | 1.5 | 0.2 | 3˚ | 12 | 50 | 4 |
| WTR504 015 02 03 16 | 1.5 | 0.2 | 3˚ | 16 | 50 | 4 |
| WTR504 015 02 03 20 | 1.5 | 0.2 | 3˚ | 20 | 60 | 4 |
| WTR504 015 03 01 06 | 1.5 | 0.3 | 1˚ | 6 | 50 | 4 |
| WTR504 015 03 01 08 | 1.5 | 0.3 | 1˚ | 8 | 50 | 4 |
| WTR504 015 03 01 10 | 1.5 | 0.3 | 1˚ | 10 | 50 | 4 |
| WTR504 015 03 01 12 | 1.5 | 0.3 | 1˚ | 12 | 50 | 4 |
| WTR504 015 03 01 16 | 1.5 | 0.3 | 1˚ | 16 | 50 | 4 |
| WTR504 015 03 01 20 | 1.5 | 0.3 | 1˚ | 20 | 60 | 4 |
| WTR504 015 03 02 06 | 1.5 | 0.3 | 2˚ | 6 | 50 | 4 |
| WTR504 015 03 02 08 | 1.5 | 0.3 | 2˚ | 8 | 50 | 4 |
| WTR504 015 03 02 10 | 1.5 | 0.3 | 2˚ | 10 | 50 | 4 |
| WTR504 015 03 02 12 | 1.5 | 0.3 | 2˚ | 12 | 50 | 4 |
| WTR504 015 03 02 16 | 1.5 | 0.3 | 2˚ | 16 | 50 | 4 |
| WTR504 015 03 02 20 | 1.5 | 0.3 | 2˚ | 20 | 60 | 4 |
| WTR504 015 03 03 06 | 1.5 | 0.3 | 3˚ | 6 | 50 | 4 |
| WTR504 015 03 03 08 | 1.5 | 0.3 | 3˚ | 8 | 50 | 4 |
| WTR504 015 03 03 10 | 1.5 | 0.3 | 3˚ | 10 | 50 | 4 |
| WTR504 015 03 03 12 | 1.5 | 0.3 | 3˚ | 12 | 50 | 4 |
| WTR504 015 03 03 16 | 1.5 | 0.3 | 3˚ | 16 | 50 | 4 |
| WTR504 015 03 03 20 | 1.5 | 0.3 | 3˚ | 20 | 60 | 4 |
| WTR504 020 01 01 08 | 2.0 | 0.1 | 1˚ | 8.0 | 50 | 4 |
| WTR504 020 01 01 10 | 2.0 | 0.1 | 1˚ | 10.0 | 50 | 4 |
| WTR504 020 01 01 12 | 2.0 | 0.1 | 1˚ | 12.0 | 50 | 4 |
| WTR504 020 01 01 16 | 2.0 | 0.1 | 1˚ | 16.0 | 50 | 4 |
| WTR504 020 01 01 20 | 2.0 | 0.1 | 1˚ | 20.0 | 60 | 4 |
| WTR504 020 01 01 25 | 2.0 | 0.1 | 1˚ | 25.0 | 60 | 4 |
| WTR504 020 01 02 08 | 2.0 | 0.1 | 2˚ | 8.0 | 50 | 4 |
| WTR504 020 01 02 10 | 2.0 | 0.1 | 2˚ | 10.0 | 50 | 4 |
| WTR504 020 01 02 12 | 2.0 | 0.1 | 2˚ | 12.0 | 50 | 4 |
| WTR504 020 01 02 16 | 2.0 | 0.1 | 2˚ | 16.0 | 50 | 4 |
| WTR504 020 01 02 20 | 2.0 | 0.1 | 2˚ | 20.0 | 60 | 4 |
| WTR504 020 01 02 25 | 2.0 | 0.1 | 2˚ | 25.0 | 60 | 4 |
| WTR504 020 01 03 08 | 2.0 | 0.1 | 3˚ | 8.0 | 50 | 4 |
| WTR504 020 01 03 10 | 2.0 | 0.1 | 3˚ | 10.0 | 50 | 4 |
| WTR504 020 01 03 12 | 2.0 | 0.1 | 3˚ | 12.0 | 50 | 4 |
| WTR504 020 01 03 16 | 2.0 | 0.1 | 3˚ | 16.0 | 50 | 4 |
| WTR504 020 01 03 20 | 2.0 | 0.1 | 3˚ | 20.0 | 60 | 6 |
| WTR504 020 01 03 25 | 2.0 | 0.1 | 3˚ | 25.0 | 60 | 6 |
| WTR504 020 02 01 08 | 2.0 | 0.2 | 1˚ | 8.0 | 50 | 4 |
| WTR504 020 02 01 10 | 2.0 | 0.2 | 1˚ | 10.0 | 50 | 4 |
| WTR504 020 02 01 12 | 2.0 | 0.2 | 1˚ | 12.0 | 50 | 4 |
| WTR504 020 02 01 16 | 2.0 | 0.2 | 1˚ | 16.0 | 50 | 4 |
| WTR504 020 02 01 20 | 2.0 | 0.2 | 1˚ | 20.0 | 60 | 4 |
| WTR504 020 02 01 25 | 2.0 | 0.2 | 1˚ | 25.0 | 60 | 4 |
| WTR504 020 02 02 08 | 2.0 | 0.2 | 2˚ | 8.0 | 50 | 4 |
| WTR504 020 02 02 10 | 2.0 | 0.2 | 2˚ | 10.0 | 50 | 4 |
| WTR504 020 02 02 12 | 2.0 | 0.2 | 2˚ | 12.0 | 50 | 4 |
| WTR504 020 02 02 16 | 2.0 | 0.2 | 2˚ | 16.0 | 50 | 4 |
| WTR504 020 02 02 20 | 2.0 | 0.2 | 2˚ | 20.0 | 60 | 4 |
| WTR504 020 02 02 25 | 2.0 | 0.2 | 2˚ | 25.0 | 60 | 4 |
| WTR504 020 02 03 08 | 2.0 | 0.2 | 3˚ | 8.0 | 50 | 4 |
| WTR504 020 02 03 10 | 2.0 | 0.2 | 3˚ | 10.0 | 50 | 4 |
| WTR504 020 02 03 12 | 2.0 | 0.2 | 3˚ | 12.0 | 50 | 4 |
| WTR504 020 02 03 16 | 2.0 | 0.2 | 3˚ | 16.0 | 50 | 4 |
| WTR504 020 02 03 20 | 2.0 | 0.2 | 3˚ | 20.0 | 60 | 6 |
| WTR504 020 02 03 25 | 2.0 | 0.2 | 3˚ | 25.0 | 60 | 6 |
| WTR504 020 03 01 08 | 2.0 | 0.3 | 1˚ | 8.0 | 50 | 4 |
| WTR504 020 03 01 10 | 2.0 | 0.3 | 1˚ | 10.0 | 50 | 4 |
| WTR504 020 03 01 12 | 2.0 | 0.3 | 1˚ | 12.0 | 50 | 4 |
| WTR504 020 03 01 16 | 2.0 | 0.3 | 1˚ | 16.0 | 50 | 4 |
| WTR504 020 03 01 20 | 2.0 | 0.3 | 1˚ | 20.0 | 60 | 4 |
| WTR504 020 03 01 25 | 2.0 | 0.3 | 1˚ | 25.0 | 60 | 4 |
| WTR504 020 03 02 08 | 2.0 | 0.3 | 2˚ | 8.0 | 50 | 4 |
| WTR504 020 03 02 10 | 2.0 | 0.3 | 2˚ | 10.0 | 50 | 4 |
| WTR504 020 03 02 12 | 2.0 | 0.3 | 2˚ | 12.0 | 50 | 4 |
| WTR504 020 03 02 16 | 2.0 | 0.3 | 2˚ | 16.0 | 50 | 4 |
| WTR504 020 03 02 20 | 2.0 | 0.3 | 2˚ | 20.0 | 60 | 4 |
| WTR504 020 03 02 25 | 2.0 | 0.3 | 2˚ | 25.0 | 60 | 4 |
| WTR504 020 03 03 08 | 2.0 | 0.3 | 3˚ | 8.0 | 50 | 4 |
| WTR504 020 03 03 10 | 2.0 | 0.3 | 3˚ | 10.0 | 50 | 4 |
| WTR504 020 03 03 12 | 2.0 | 0.3 | 3˚ | 12.0 | 50 | 4 |
| WTR504 020 03 03 16 | 2.0 | 0.3 | 3˚ | 16.0 | 50 | 4 |
| WTR504 020 03 03 20 | 2.0 | 0.3 | 3˚ | 20.0 | 60 | 6 |
| WTR504 020 03 03 25 | 2.0 | 0.3 | 3˚ | 25.0 | 60 | 6 |
| WTR504 025 01 01 10 | 2.5 | 0.1 | 1˚ | 10.0 | 50 | 4 |
| WTR504 025 01 01 12 | 2.5 | 0.1 | 1˚ | 12.0 | 50 | 4 |
| WTR504 025 01 01 16 | 2.5 | 0.1 | 1˚ | 16.0 | 50 | 4 |
| WTR504 025 01 01 20 | 2.5 | 0.1 | 1˚ | 20.0 | 60 | 4 |
| WTR504 025 01 01 25 | 2.5 | 0.1 | 1˚ | 25.0 | 60 | 4 |
| WTR504 025 01 01 30 | 2.5 | 0.1 | 1˚ | 30.0 | 60 | 4 |
| WTR504 025 01 02 10 | 2.5 | 0.1 | 2˚ | 10.0 | 50 | 4 |
| WTR504 025 01 02 12 | 2.5 | 0.1 | 2˚ | 12.0 | 50 | 4 |
| WTR504 025 01 02 16 | 2.5 | 0.1 | 2˚ | 16.0 | 50 | 4 |
| WTR504 025 01 02 20 | 2.5 | 0.1 | 2˚ | 20.0 | 60 | 4 |
| WTR504 025 01 02 25 | 2.5 | 0.1 | 2˚ | 25.0 | 60 | 6 |
| WTR504 025 01 02 30 | 2.5 | 0.1 | 2˚ | 30.0 | 60 | 6 |
| WTR504 025 01 03 10 | 2.5 | 0.1 | 3˚ | 10.0 | 50 | 4 |
| WTR504 025 01 03 12 | 2.5 | 0.1 | 3˚ | 12.0 | 50 | 4 |
| WTR504 025 01 03 16 | 2.5 | 0.1 | 3˚ | 16.0 | 50 | 6 |
| WTR504 025 01 03 20 | 2.5 | 0.1 | 3˚ | 20.0 | 60 | 6 |
| WTR504 025 01 03 25 | 2.5 | 0.1 | 3˚ | 25.0 | 60 | 6 |
| WTR504 025 01 03 30 | 2.5 | 0.1 | 3˚ | 30.0 | 60 | 6 |
| WTR504 025 02 01 10 | 2.5 | 0.2 | 1˚ | 10.0 | 50 | 4 |
| WTR504 025 02 01 12 | 2.5 | 0.2 | 1˚ | 12.0 | 50 | 4 |
| WTR504 025 02 01 16 | 2.5 | 0.2 | 1˚ | 16.0 | 50 | 4 |
| WTR504 025 02 01 20 | 2.5 | 0.2 | 1˚ | 20.0 | 60 | 4 |
| WTR504 025 02 01 25 | 2.5 | 0.2 | 1˚ | 25.0 | 60 | 4 |
| WTR504 025 02 01 30 | 2.5 | 0.2 | 1˚ | 30.0 | 60 | 4 |
| WTR504 025 02 02 10 | 2.5 | 0.2 | 2˚ | 10.0 | 50 | 4 |
| WTR504 025 02 02 12 | 2.5 | 0.2 | 2˚ | 12.0 | 50 | 4 |
| WTR504 025 02 02 16 | 2.5 | 0.2 | 2˚ | 16.0 | 50 | 4 |
| WTR504 025 02 02 20 | 2.5 | 0.2 | 2˚ | 20.0 | 60 | 4 |
| WTR504 025 02 02 25 | 2.5 | 0.2 | 2˚ | 25.0 | 60 | 6 |
| WTR504 025 02 02 30 | 2.5 | 0.2 | 2˚ | 30.0 | 60 | 6 |
| WTR504 025 02 03 10 | 2.5 | 0.2 | 3˚ | 10.0 | 50 | 4 |
| WTR504 025 02 03 12 | 2.5 | 0.2 | 3˚ | 12.0 | 50 | 4 |
| WTR504 025 02 03 16 | 2.5 | 0.2 | 3˚ | 16.0 | 50 | 6 |
| WTR504 025 02 03 20 | 2.5 | 0.2 | 3˚ | 20.0 | 60 | 6 |
| WTR504 025 02 03 25 | 2.5 | 0.2 | 3˚ | 25.0 | 60 | 6 |
| WTR504 025 02 03 30 | 2.5 | 0.2 | 3˚ | 30.0 | 60 | 6 |
| WTR504 025 03 01 10 | 2.5 | 0.3 | 1˚ | 10.0 | 50 | 4 |
| WTR504 025 03 01 12 | 2.5 | 0.3 | 1˚ | 12.0 | 50 | 4 |
| WTR504 025 03 01 16 | 2.5 | 0.3 | 1˚ | 16.0 | 50 | 4 |
| WTR504 025 03 01 20 | 2.5 | 0.3 | 1˚ | 20.0 | 60 | 4 |
| WTR504 025 03 01 25 | 2.5 | 0.3 | 1˚ | 25.0 | 60 | 4 |
| WTR504 025 03 01 30 | 2.5 | 0.3 | 1˚ | 30.0 | 60 | 4 |
| WTR504 025 03 02 10 | 2.5 | 0.3 | 2˚ | 10.0 | 50 | 4 |
| WTR504 025 03 02 12 | 2.5 | 0.3 | 2˚ | 12.0 | 50 | 4 |
| WTR504 025 03 02 16 | 2.5 | 0.3 | 2˚ | 16.0 | 50 | 4 |
| WTR504 025 03 02 20 | 2.5 | 0.3 | 2˚ | 20.0 | 60 | 4 |
| WTR504 025 03 02 25 | 2.5 | 0.3 | 2˚ | 25.0 | 60 | 6 |
| WTR504 025 03 02 30 | 2.5 | 0.3 | 2˚ | 30.0 | 60 | 6 |
| WTR504 025 03 03 10 | 2.5 | 0.3 | 3˚ | 10.0 | 50 | 4 |
| WTR504 025 03 03 12 | 2.5 | 0.3 | 3˚ | 12.0 | 50 | 4 |
| WTR504 025 03 03 16 | 2.5 | 0.3 | 3˚ | 16.0 | 50 | 6 |
| WTR504 025 03 03 20 | 2.5 | 0.3 | 3˚ | 20.0 | 60 | 6 |
| WTR504 025 03 03 25 | 2.5 | 0.3 | 3˚ | 25.0 | 60 | 6 |
| WTR504 025 03 03 30 | 2.5 | 0.3 | 3˚ | 30.0 | 60 | 6 |
| 탄소강 (S45C, S55C...) ~ HB225 |
합금강 (SCM, SK...) HB225~325 |
프리하든강 (NAK...) HRc30~50 |
열처리강 | 동 | 흑연 | 주철 FCD400. 500~ |
알루미늄 | 스테인리스강 | |
|---|---|---|---|---|---|---|---|---|---|
| ~HRc55 SKD61 | ~HRc55 SKD11 | ||||||||
| ○ | ○ | ◎ | ○ | ○ | ○ | ||||
| 인선부 (mm) | 자루부 |
|---|---|
| 0 ~ -0.03 | h6 |