제품소개

HOME > 제품소개 > 탭

VSOPF series 하이스 ㆍ JIS & DIN



PF형 관용 평행 나사 / 스트레이트 플루트 / 비코팅
  • PF Pipe Tap


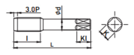
EDP. No. 호칭치수 유효지름정도 Basic Major Dia(mm) L I d K KI 날수
VSOPF1/81/8-28JISⅡ9.72855198694
VSOPF1/41/4-19JISⅡ13.1576228119124
VSOPF3/83/8-19JISⅡ16.66265281411144
VSOPF1/21/2-14JISⅡ20.95580351814174
VSOPF3/43/4-14JISⅡ26.44185352317204
VSOPF11-11JISⅡ33.24995452621244