제품소개

엔드밀

HOME > 제품소개 > 엔드밀

ESE716 series 고경도용 ㆍ 이코노스타



6날, 하이 헬릭스 스퀘어 엔드밀
  • 6 FLUTES HIGH HELIX SQUARE ENDMILL

  • 최적의 경사 적용으로 인선부 강성 보완
  • 고강도 인선으로 내치핑성 내마모성 향상
  • 50° 헬릭스 각 적용으로 가공성 향상


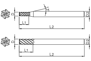
EDP. No. D L1 L2 D2
ESE716060613506
ESE716080818608
ESE71610010227010
ESE71612012267512
ESE71616016359016
ESE716200204410020