HOME > 제품소개 > 엔드밀


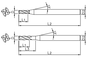
| EDP. No. | D | L1 | L2 | L3 | D2 |
|---|---|---|---|---|---|
| ESE704010 | 1 | 1.5 | 40 | 6 | |
| ESE704010S4 | 1 | 1.5 | 40 | 4 | |
| ESE704015 | 1.5 | 2.2 | 40 | 6 | |
| ESE704020 | 2 | 3 | 40 | 6 | 6 |
| ESE704020S4 | 2 | 3 | 40 | 6 | 4 |
| ESE704025 | 2.5 | 4 | 40 | 6 | 6 |
| ESE704030 | 3 | 4 | 45 | 7 | 6 |
| ESE704035 | 3.5 | 5 | 9 | 45 | 6 |
| ESE704040 | 4 | 5 | 9 | 45 | 6 |
| ESE704045 | 4.5 | 6 | 10 | 45 | 6 |
| ESE704050 | 5 | 6 | 50 | 11 | 6 |
| ESE704060 | 6 | 7 | 50 | 14 | 6 |
| ESE704080 | 8 | 9 | 60 | 18 | 8 |
| ESE704100 | 10 | 12 | 75 | 25 | 10 |
| ESE704120 | 12 | 15 | 75 | 30 | 12 |
| ESE704160 | 16 | 18 | 90 | 38 | 16 |
| ESE704200 | 20 | 24 | 100 | 45 | 20 |